RFS50A-5 極超低ノイズスイッチング電源 極超低ノイズスイッチング電源 RFS50A | ダイトロン株式会社
(2655件)
Pontaパス特典
サンキュー配送
14500円(税込)
145ポイント(1%)
Pontaパス会員ならさらに+1%ポイント還元!
送料
(
)
2642
配送情報
お届け予定日:2026.04.23 9:21までにお届け
※一部地域・離島につきましては、表示のお届け予定日期間内にお届けできない場合があります。
ロットナンバー
95172171048
お買い物の前にチェック!
Pontaパス会員なら
ポイント+1%
ポイント+1%
商品説明



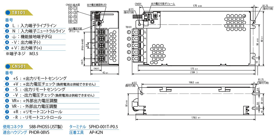
5V、10A出力の極超低ノイズスイッチング電源。-メーカ: ダイトロン- モデル: RFS50A-5- 入力電圧: 100V-240V- 出力電圧: 5V- 出力電流: 10A
| カテゴリー: | テレビ・オーディオ・カメラ>>>オーディオ機器>>>その他 |
|---|---|
| 商品の状態: | 新品、未使用","新品で購入し、一度も使用していない |
| 配送料の負担: | 送料込み(出品者負担) |
| 配送の方法: | 佐川急便/日本郵便 |
| 発送元の地域: | 神奈川県 |
| 発送までの日数: | 2~3日で発送 |
レビュー
商品の評価:




4.4点(2655件)
- ふーじ370
- 量も満足できて、中国産と言って臭みも無く味はうまい。国産は手が出ない。汁が垂れるので、段ボールの中に新聞紙が入っていて安心。 寿司の一貫にぎりには2尾。 カニとエビのハーフの様な味わいを楽しめる贅沢品。 殻向きの方にも感謝です。
- しほびょん
- なかなか家では魚料理をする時間がないし、三種の味を手軽にお試しできるのはありがたいです。次の注文の参考になりました。
- アンペーん
- 大きめのサイズは食べ応えがあり、お買い得です。
- ☆move.custom☆
- さわらは、そのまま塩焼きなどして食べるのが一番。でも味噌漬けの味を試したかったので注文しました。期待していたほどの味ではなく、魚も少し硬いので2つ星にしました。
- kojyo@24
- 母の日に引き続き父の日にも利用させていただきました。年のいった方は、ありきたりのプレゼントには飽きてるだろうし舌も肥えてるし、ということで、商品が到着してからも魚をさばく楽しみのある採れたて鮮魚にしました。内臓処理をしてくれるのでとても安心でした。また利用させていただきます。
- 夜桜0702
- こちらでは、良く干せたみがきが手に入りません。 探してみっけました。 安価、しっかり干せたみがきが届きうれしいです。 満足です。
- sno108
- 急いでいる時はレンジでも便利ですが、やはりグリルで焼くのがおいしです。
- LOVE&∞
- 希少な干物というのに魅かれ、購入してみましたがレビューにもあったとおり、若干癖があって、リピをする程ではなかったです。脂ものっていて、サイズも食べやすいですけど、お味が好みではなかったです。
- ゴロゴロ助
- 身が柔らかく、年とった両親に大好評 でした。
- ラスタマン7259
- レビューを見てて、猫のエサに、って人も多かったですが、人間も食べてたしおいしいのだろうと思って購入しました。 からあげにしたところ、なんだか苦い。改めて食べてみても苦い!! どこかな?と思ったら頭でした。 頭を取れば白いほくほくの身の部分が食べられます。 でも苦さがどうしても頭に残ってしまい、自分で食べたくないかもです。 たまにちっちゃいのが入ってますね。グリルで焼こうとすると落ちます。 から揚げにしたものを、猫が2匹食べました。吐かないから大丈夫だったようです。 ゆでてみたら、猫は知らんぷり。犬は全部食べてくれました。 揚げないとだめなのかな〜? 猫が食べてくれたら一番いいんだけど、油って…ねぇ。 みんなどーやって食べてるんだろう。人間も猫も。調理法が知りたいです。
すべて見る
お店の情報
7,367
連絡・応対
4.3
配送スピード
4.3
梱包
4.3










